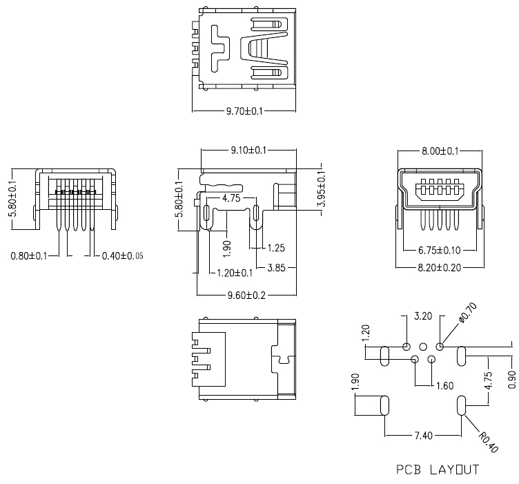
Mini USB 5P/F 90° (四腳插板)
NT$50
Part No:
110157
Product No:
MiniUSB-5P(F)-90-4腳
品牌:
說明:
技術文件:
包裝單位:
5 PC








