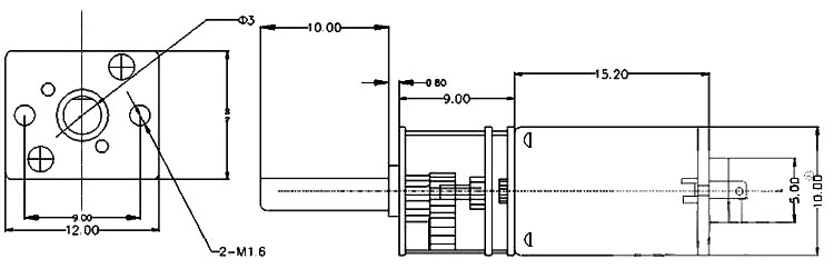
N20直流減速電機
NT$248
Part No:
122535
Product No:
JGA12-N20-減速馬達-6V-200轉/分
品牌:
說明:
技術文件:
包裝單位:
1 PCS







