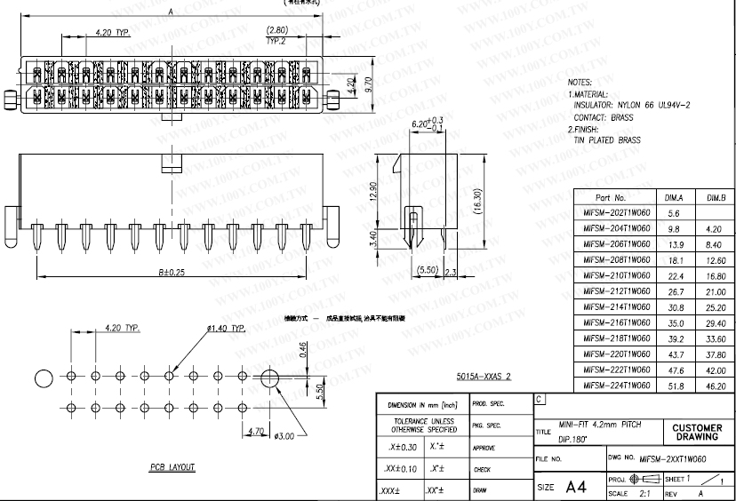
5569-4.2mm-180°-14P-帶定位 針座
NT$90
Part No:
1417
Product No:
5569-2*7A-帶定位
品牌:
說明:
技術文件:
包裝單位:
5 個









