16W/12~48V/350mA 電源供應器
NT$184
Part No:
100141
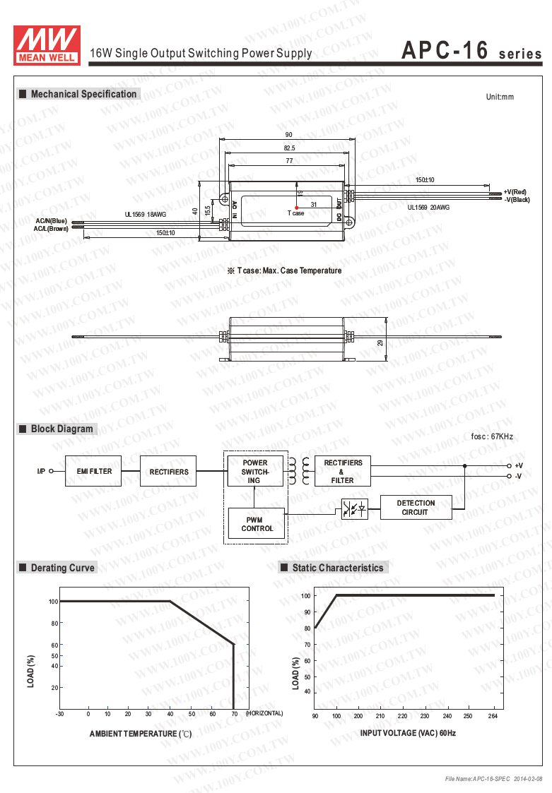
Product No:
APC-16-350
品牌:
MEAN WELL
說明:
技術文件:
包裝單位:
1 PC







