產品分類
已瀏覽商品

57步進電機套裝 扭矩 2.8N.M 長112MM

NT$1960
Part No:
101232
Product No:
57BYG250H+TB6560-套裝
品牌:
說明:
技術文件:
包裝單位:
1 PC
門市據點各店庫存門市儲位位置圖倉庫儲位位置圖
龍山門市2167-2-19
光復門市0
购买数量:
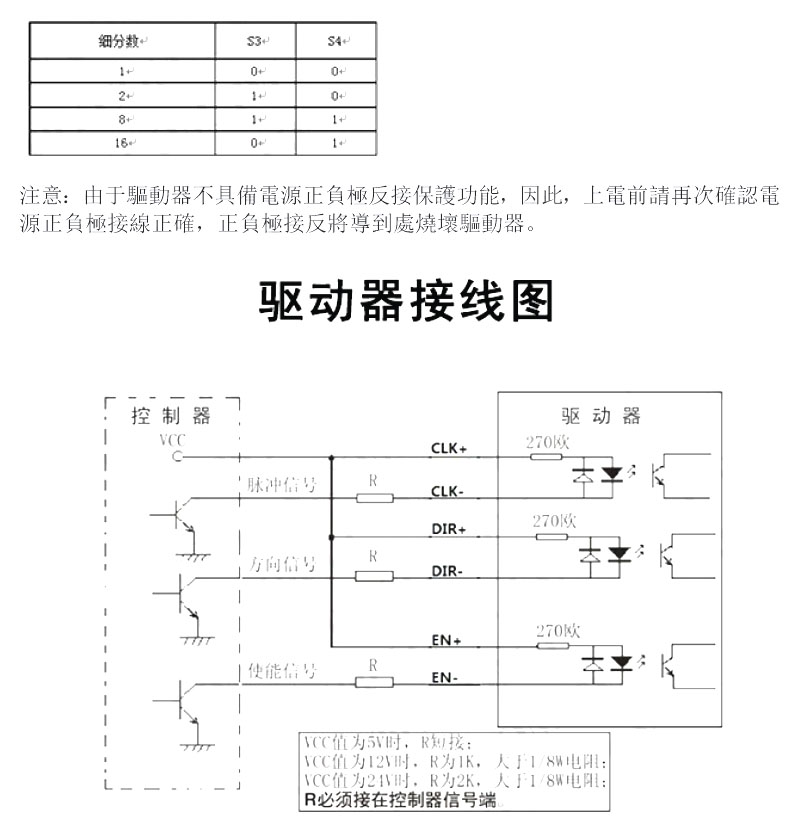
產品特性
  • 特性

57步進電機套裝  扭矩 2.8N.M 長112MM













Top

HDMI選擇器 3 進一出 (切換器) MINI-HDMI-301

Part No.: #59798
Product No.: 111118888
包裝單位:
10PC
NT$500
數量: