產品分類
已瀏覽商品

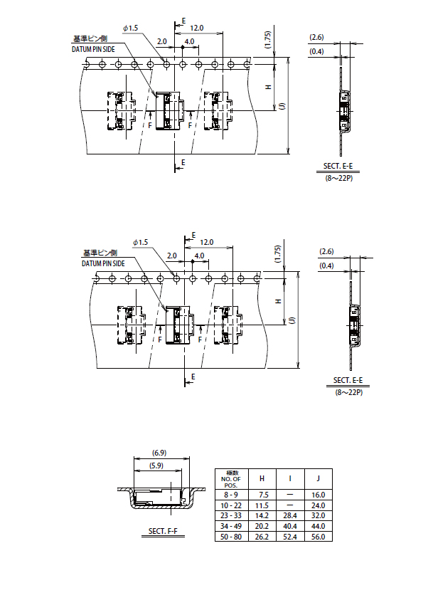
FPC ZIF SMT 掀蓋式上接連接頭

NT$50
Part No:
101267
Product No:
ZIF-FPC-0.5mm-SMT-45P-翻蓋上接
品牌:
說明:
技術文件:
包裝單位:
2 PC
門市據點各店庫存門市儲位位置圖倉庫儲位位置圖
龍山門市0
光復門市14170-2-32-A
购买数量:
產品特性
  • 特性

ZIF-FPC-0.5mm-SMT-45P-翻蓋上接











Top

HDMI選擇器 3 進一出 (切換器) MINI-HDMI-301

Part No.: #59798
Product No.: 111118888
包裝單位:
10PC
NT$500
數量: