產品分類
已瀏覽商品

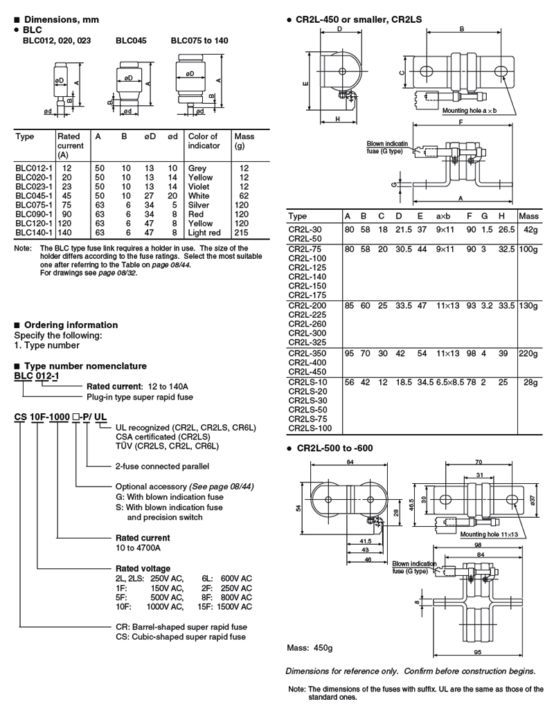
FUJI_超快速熔斷器 12A/AC550V

NT$280
Part No:
101838
Product No:
BLC012-1
品牌:
Fuji Electric
說明:
技術文件:
包裝單位:
1 PC
門市據點各店庫存門市儲位位置圖倉庫儲位位置圖
龍山門市3167-2-20
光復門市3170-2-39-B
购买数量:
產品特性
  • 特性

BLC系列

 

 

超快速熔斷器

 

 

 


 

 

 

 

 

 


Top

HDMI選擇器 3 進一出 (切換器) MINI-HDMI-301

Part No.: #59798
Product No.: 111118888
包裝單位:
10PC
NT$500
數量: