產品分類
已瀏覽商品

塑膠螺帽 M4

NT$68
Part No:
103834
Product No:
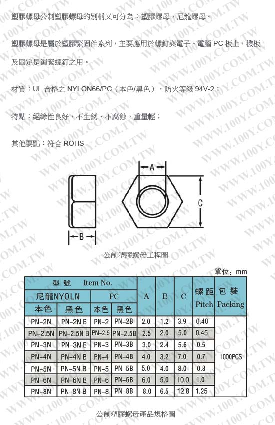
PN-4
品牌:
說明:
技術文件:
包裝單位:
50 PC
門市據點各店庫存門市儲位位置圖倉庫儲位位置圖
龍山門市250167-3-08
光復門市840170-1-57-C170-F-29-D
购买数量:
產品特性
  • 特性

塑膠螺帽

 

 


 

 

 

 

Top

HDMI選擇器 3 進一出 (切換器) MINI-HDMI-301

Part No.: #59798
Product No.: 111118888
包裝單位:
10PC
NT$500
數量: