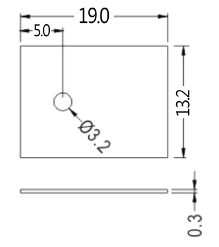
矽膠片13.2W*19H*0.3D(ROHS)
NT$25
Part No:
10443
Product No:
矽膠片-TO-220
品牌:
說明:
技術文件:
包裝單位:
20 片





