SMD排針 Pitch:1.27 2*50
NT$125
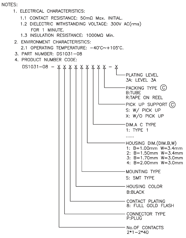
Part No:
104612
Product No:
DS1031-08-2*50P8BS
品牌:
說明:
技術文件:
包裝單位:
5 PC








