產品分類
已瀏覽商品

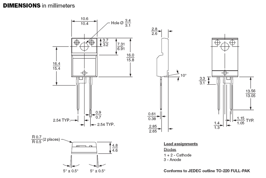
快恢復二極管 600V 15A

NT$85
Part No:
1050
Product No:
VS-15ETH06PBF
品牌:
VISHAY
說明:
技術文件:
包裝單位:
2 個
門市據點各店庫存門市儲位位置圖倉庫儲位位置圖
龍山門市0
光復門市4170-2-02-HN
购买数量:
產品特性
  • 特性

VISHAY-VS-15ETH06PBF







Top

HDMI選擇器 3 進一出 (切換器) MINI-HDMI-301

Part No.: #59798
Product No.: 111118888
包裝單位:
10PC
NT$500
數量: