L-shaped 光遮斷器【無鉛】
- 特性
Slot-type Photomicrosensor (Non-modulated)
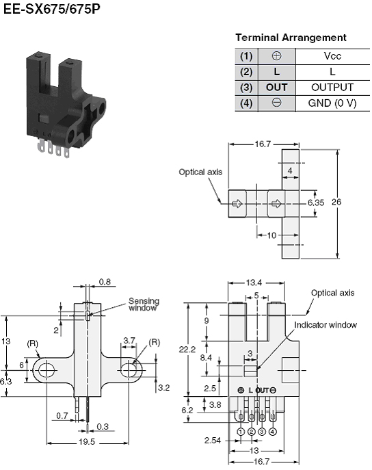
EE-SX47/67
Feature
Photomicrosensor with 50- to 100-mA direct switching capacity for built-in application.
●Series includes models that enable switching between dark-ON and light-ON operation.
● Response frequency as high as 1 kHz.
● Easy operation monitoring with bright light indicator.
● Wide operating voltage range: 5 to 24 VDC
● Models in which the light indicator turns ON for dark-ON operation are also available.
● A wide range of variations in eight different shapes.
● Flexible robot cable is provided as a standard feature.
Connector
Pre-wired Models, Models with Connectors
Ratings and Specifications
Connector for the EE-SX67 with Junction Connector
Engineering Data (Typical)
I/O Circuit Diagrams
NPN Output
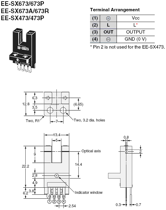
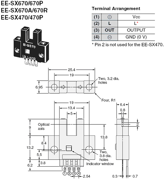
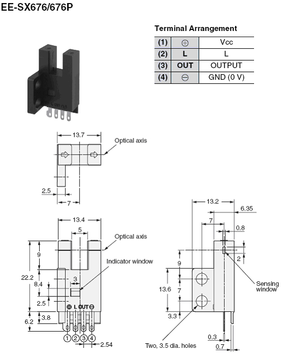
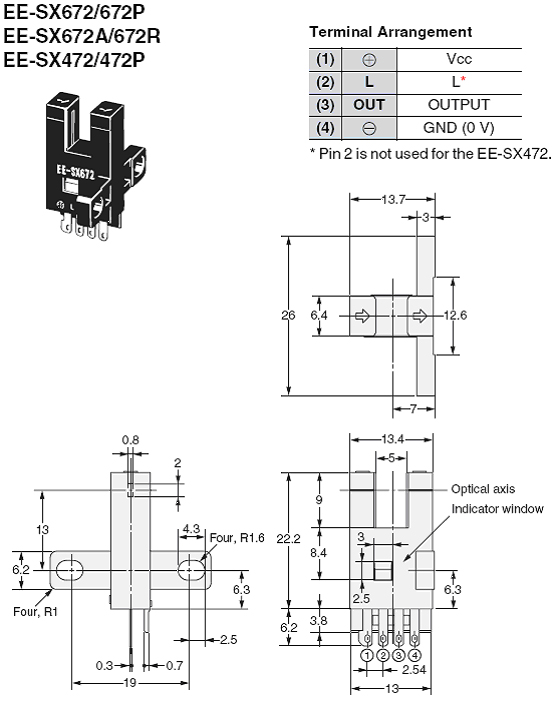
Dimensions





