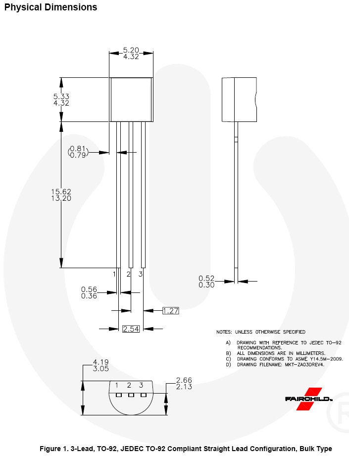
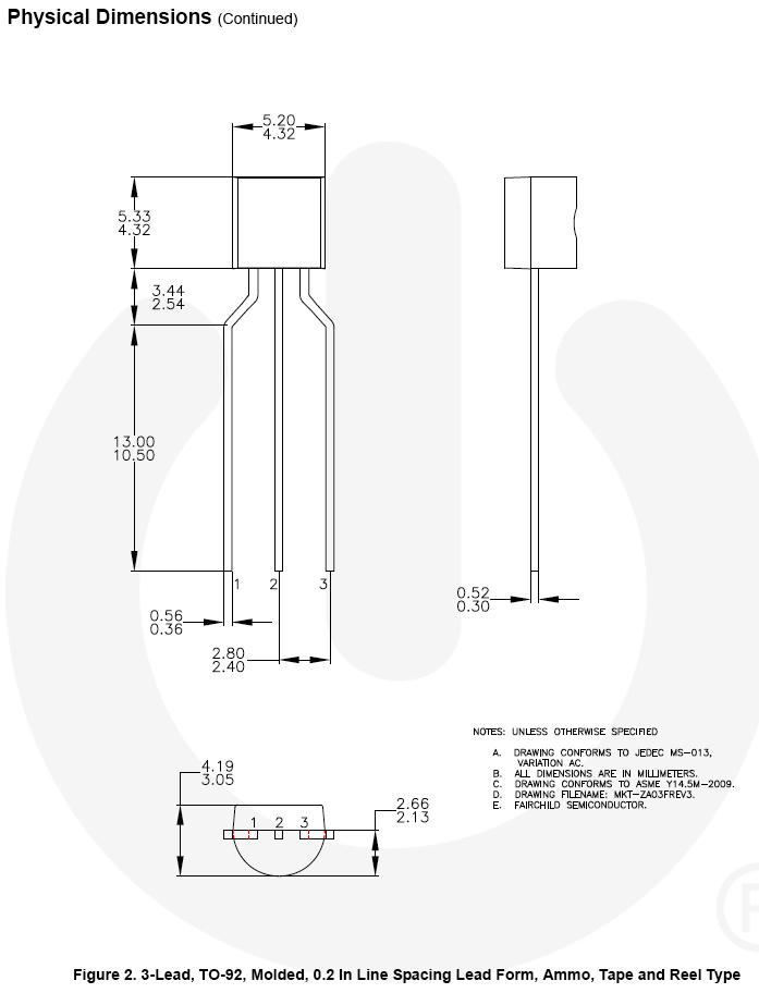
3P/TO-92(ROHS)
NT$40
Part No:
110003
Product No:
BC337-25
品牌:
Fairchild(ONS)
說明:
技術文件:
包裝單位:
10 PC










