產品分類
已瀏覽商品

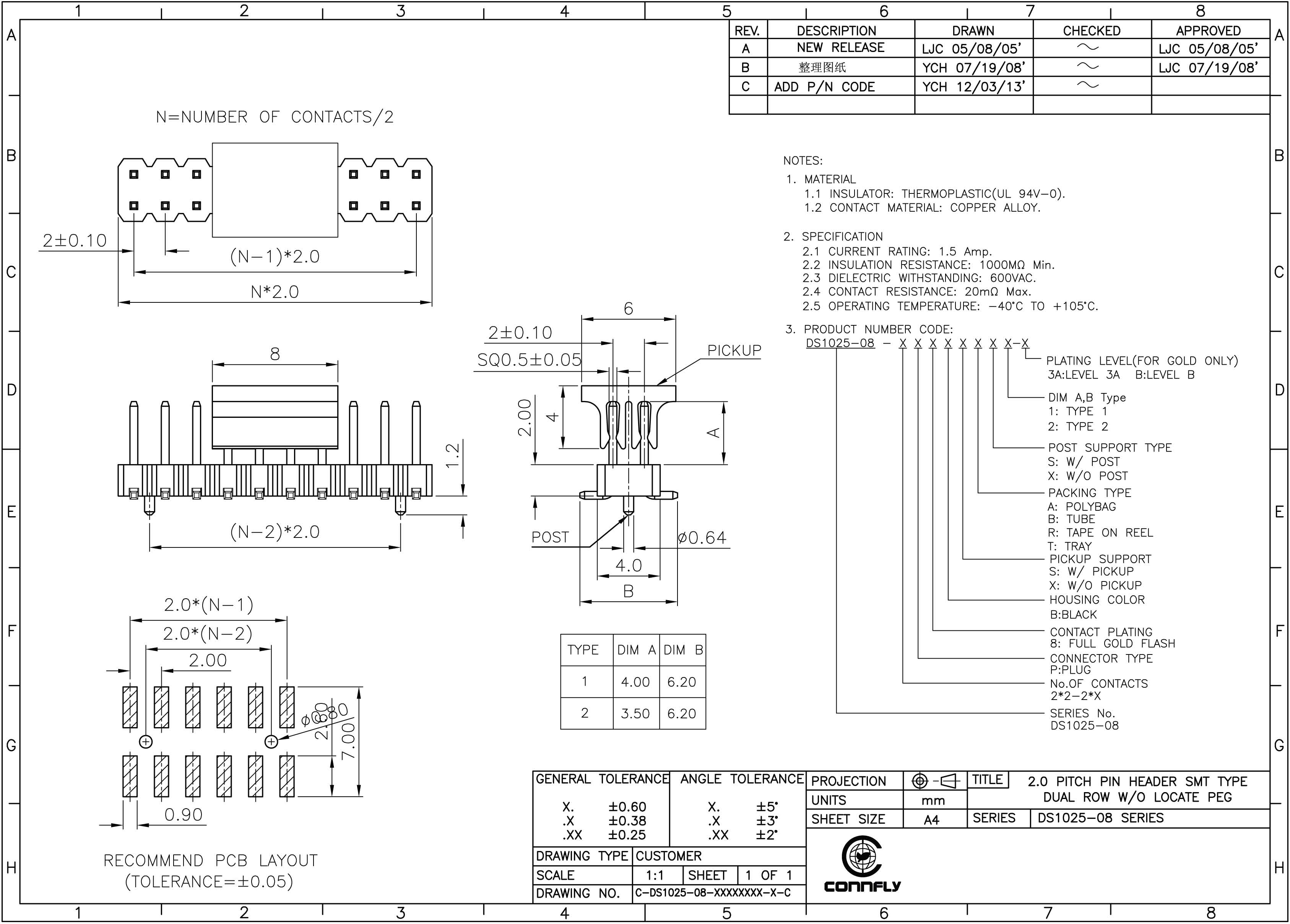
2*2P 排針 SMD貼片 P:2.0mm

NT$20
Part No:
110502
Product No:
DS1025-08-2*2P8BS
品牌:
說明:
技術文件:
包裝單位:
10 PC
門市據點各店庫存門市儲位位置圖倉庫儲位位置圖
龍山門市0
光復門市1500170-2-29-B168-G-01-E
购买数量:
產品特性
  • 特性

2*2P 排針 SMD貼片 P:2.0mm

 

 


Top

HDMI選擇器 3 進一出 (切換器) MINI-HDMI-301

Part No.: #59798
Product No.: 111118888
包裝單位:
10PC
NT$500
數量: