產品分類
已瀏覽商品

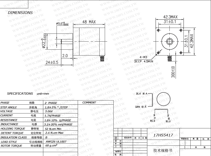
42電機 2相步進電機 3.06V/1.7A

NT$750
Part No:
112559
Product No:
17HS5417
品牌:
說明:
技術文件:
包裝單位:
1 PC
門市據點各店庫存門市儲位位置圖倉庫儲位位置圖
龍山門市1167-2-19
光復門市6168-1-37-J
购买数量:
產品特性
  • 特性

17HS5417

 

2相步進電機 3.06V/1.7A

 


 

 

 


Top

HDMI選擇器 3 進一出 (切換器) MINI-HDMI-301

Part No.: #59798
Product No.: 111118888
包裝單位:
10PC
NT$500
數量: