產品分類
已瀏覽商品

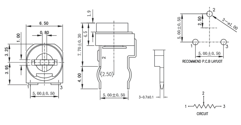
臥式藍白可調電阻 1Mohm ±20%

NT$20
Part No:
112696
Product No:
RM065-V1-105
品牌:
說明:
技術文件:
包裝單位:
10 PC
門市據點各店庫存門市儲位位置圖倉庫儲位位置圖
龍山門市0
光復門市690170-2-05-DD1-17
购买数量:
產品特性
  • 特性

                                        RM065-V1



                                 臥式藍白可調電阻





    
     



     






   






    







                












               

Top

HDMI選擇器 3 進一出 (切換器) MINI-HDMI-301

Part No.: #59798
Product No.: 111118888
包裝單位:
10PC
NT$500
數量: