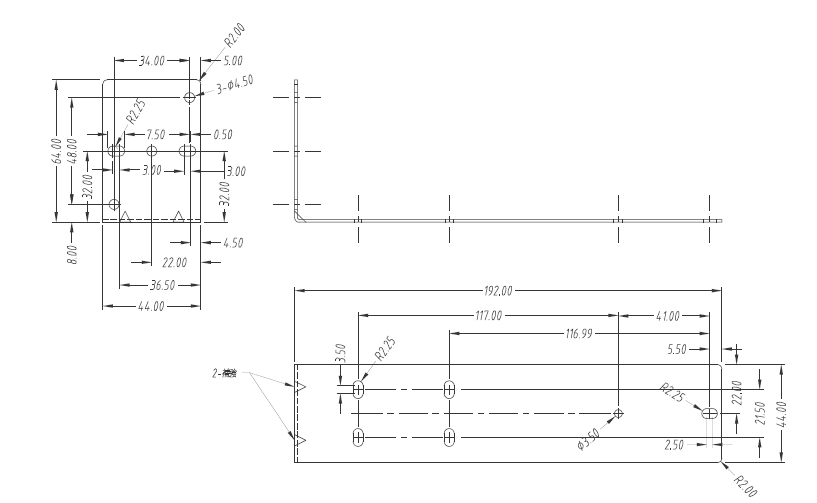
L固定片/901/902/906
NT$46
Part No:
11417
Product No:
DRL-02-R5
品牌:
MEAN WELL
說明:
技術文件:
包裝單位:
1 個






