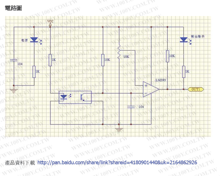
槽型光耦模塊(LM393-Module)
NT$38
Part No:
115056
Product No:
LM393-Module-5mm (槽型光耦-5mm)
品牌:
說明:
技術文件:
包裝單位:
1 PC










