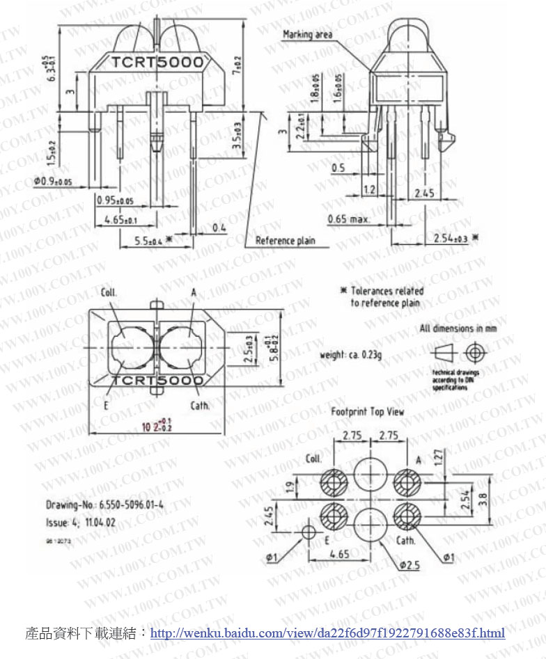
紅外反射式光電傳感器 尋跡小車專用
NT$26
Part No:
115952
Product No:
TCRT5000
品牌:
說明:
技術文件:
包裝單位:
2 PC










