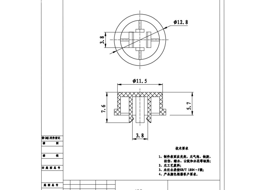
A24黑色 適用於12*12*7.3MM輕觸開關
NT$20
Part No:
119227
Product No:
A24按鍵帽-黑圓
品牌:
說明:
技術文件:
包裝單位:
20 PC









