產品分類
已瀏覽商品

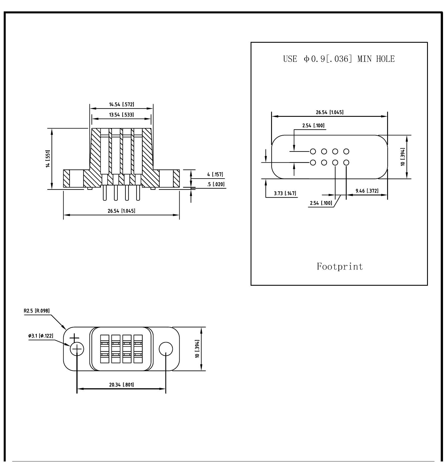
鍍金2.54MM間距TO220-4L(2.54)

NT$325
Part No:
119681
Product No:
TO220-4L(2.54)下壓式測試座
品牌:
說明:
技術文件:
包裝單位:
1 PC
門市據點各店庫存門市儲位位置圖倉庫儲位位置圖
龍山門市0
光復門市39168-1-09-A1168-1-01A
购买数量:
產品特性
  • 特性

TO220-4L(2.54)下壓式測試座

 



Top

HDMI選擇器 3 進一出 (切換器) MINI-HDMI-301

Part No.: #59798
Product No.: 111118888
包裝單位:
10PC
NT$500
數量: