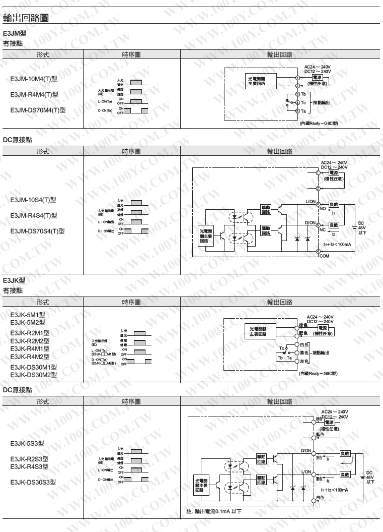
OMRON_反射光電開關 24-240V
NT$1200
Part No:
121365
Product No:
E3JK-DR11-C
品牌:
OMRON
說明:
技術文件:
包裝單位:
1 PCS













