產品分類
已瀏覽商品

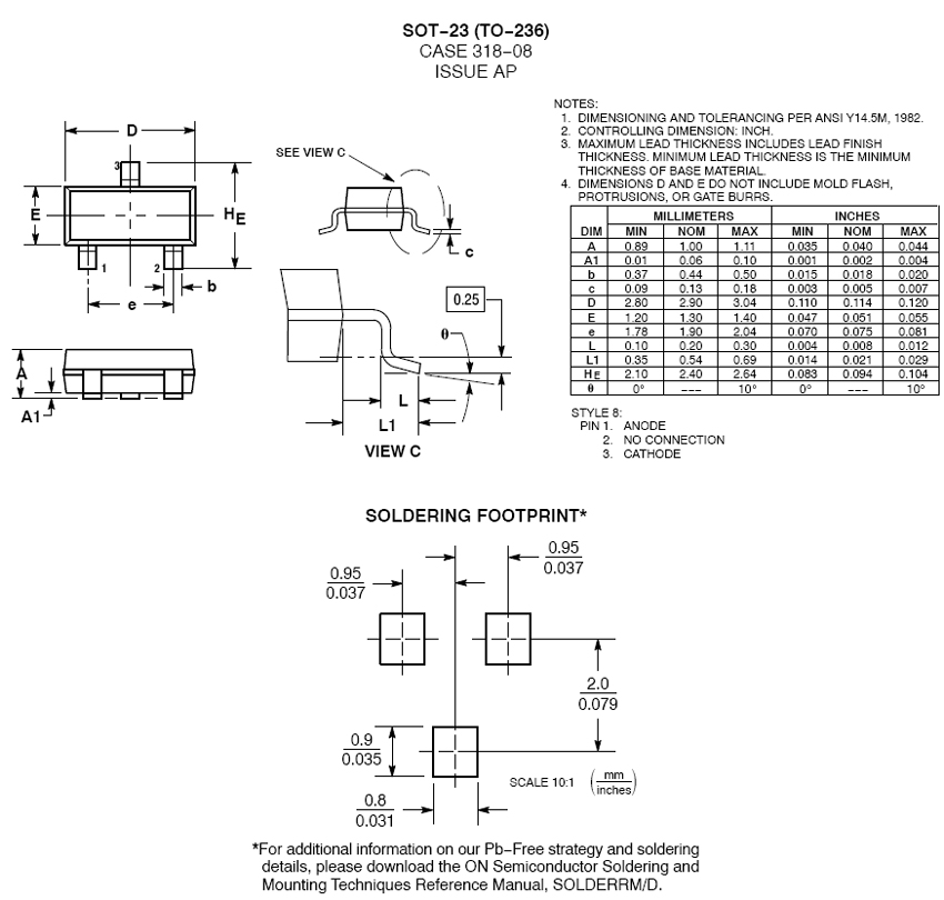
SOT-23 (ROHS) 3.3V/225mW

NT$45
Part No:
12304
Product No:
MMBZ5226BLT1
品牌:
ON-Semi.
說明:
技術文件:
包裝單位:
10 個
門市據點各店庫存門市儲位位置圖倉庫儲位位置圖
龍山門市0
光復門市130170-2-02-B
购买数量:
產品特性
  • 特性

ON-Semi.-MMBZ5226BLT1





Top

HDMI選擇器 3 進一出 (切換器) MINI-HDMI-301

Part No.: #59798
Product No.: 111118888
包裝單位:
10PC
NT$500
數量: