產品分類
已瀏覽商品

不可復歸累積計時器-灰色

NT$595
Part No:
12372
Product No:
H57-A220-60Hz-灰色
品牌:
KUBLER
說明:
技術文件:
包裝單位:
1 個
門市據點各店庫存門市儲位位置圖倉庫儲位位置圖
龍山門市1167-1-18
光復門市3166-1-33
购买数量:
產品特性
  • 特性

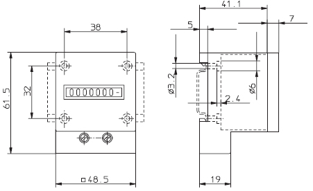
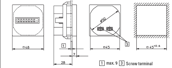
KUBLER-Time meter H57不可復歸累積計時器

 
 
 
Features
 
 

●7- resp. 8-digit hour meter
●High shock resistance
●Without reset
●Small dimension
●Magnified figures
●Protection IP 52
●Data retention when breaking of power supply
●Long service life
●Optional mounting position
●UL-approvals

 
 
 
Applications
 
 

General counting, service interval for measurement systems (respiratory ventilators, oxygen machines, dialysis machines), small appliances, UV lamps, display panels in cars.

 
 
 
Technical Data
 
 


 
 
 


 
 
 


 
 
 

 
 
 




Top

HDMI選擇器 3 進一出 (切換器) MINI-HDMI-301

Part No.: #59798
Product No.: 111118888
包裝單位:
10PC
NT$500
數量: