16P/DIP 8路高性能多工器
- 特性
ADI-ADG408BNZ
LC2MOS, ±15 V, 8通道、高性能模擬多工器
商品敘述
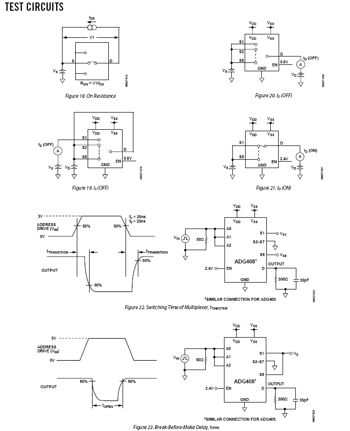
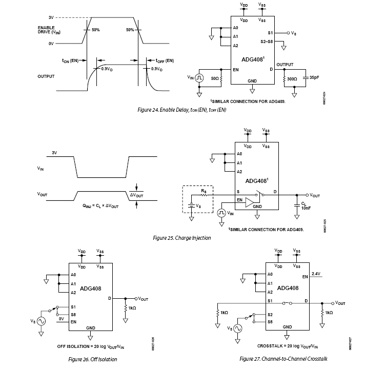
ADG408是一款單晶片CMOS類比多工器,內置8個單通道。它根據3位元二進位位址線A0、A1和A2所確定的位址,將8路輸入之一切換至公共輸出。該器件提供EN輸入,用來使能或禁用器件。禁用時,所有通道均關斷。
ADG408採用增強型LC2MOS 工藝設計,具有低功耗、高開關速度和低導通電阻特性。接通時,各通道在兩個方向的導電性能相同,輸入信號範圍可擴展至電源電壓範圍。在斷開條件下,達到電源電壓的信號電平被阻止。所有通道均採用先開後合式開關,防止開關通道時發生暫態短路。設計本身具有低電荷注入特性,當切換數位輸入時,可實現最小的瞬變。
如想獲得防閂鎖性能保證、8 kV HBM ESD額定值、更低導通電阻(13.5Ω)、更小封裝及高達+/-22V、+40V的工作電壓,可考慮使用ADG5408。
如想獲得更低導通電阻(4.5Ω)、更小封裝及高達+/-15V、+12V的工作電壓,可考慮使用ADG1408。
特點和優勢
●最大額定電源電壓:44 V
●類比信號範圍:VSS至 VDD
●低導通電阻:100 Ω(最大值)
●低功耗: (ISUPPLY < 75 µA)
●快速開關
●先開後合式開關動作
●DG408/DG409的直接替代產品






