產品分類
已瀏覽商品

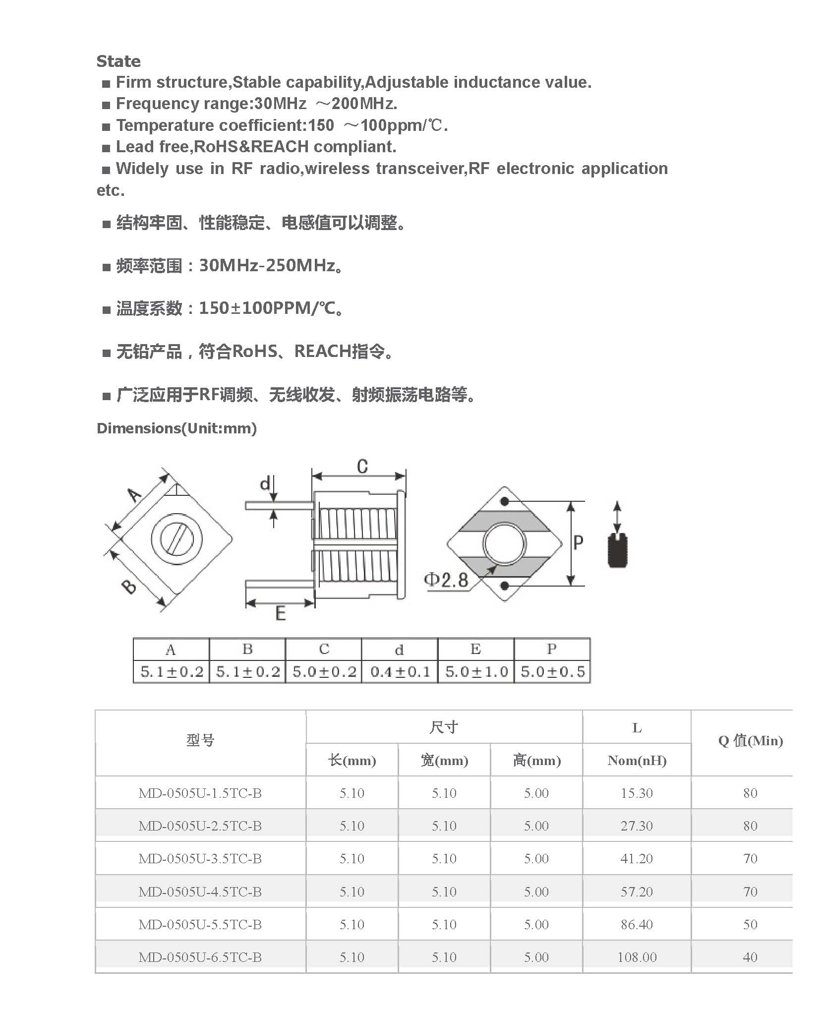
1.5T模壓線圈 5*5 可調電感

NT$45
Part No:
127062
Product No:
MD-0505U-1.5T
品牌:
說明:
技術文件:
包裝單位:
10 PCS
門市據點各店庫存門市儲位位置圖倉庫儲位位置圖
龍山門市92167-3-66
光復門市120170-2-21C
购买数量:
產品特性
  • 特性

1.5T模壓線圈

 



Top

HDMI選擇器 3 進一出 (切換器) MINI-HDMI-301

Part No.: #59798
Product No.: 111118888
包裝單位:
10PC
NT$500
數量: