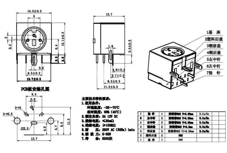
Mini DIN 8P 母固定座90°
NT$72
Part No:
129829
Product No:
Mini-Din-S端子鐵殼座(F)-8P
品牌:
說明:
技術文件:
包裝單位:
5 PCS







