產品分類
已瀏覽商品

8P/SOIC-8 Narrow

NT$75
Part No:
13199
Product No:
LM317LM/NOPB
品牌:
N.S(T.I)
說明:
技術文件:
包裝單位:
5 個
門市據點各店庫存門市儲位位置圖倉庫儲位位置圖
龍山門市0
光復門市33170-2-06-JG2-11
购买数量:
產品特性
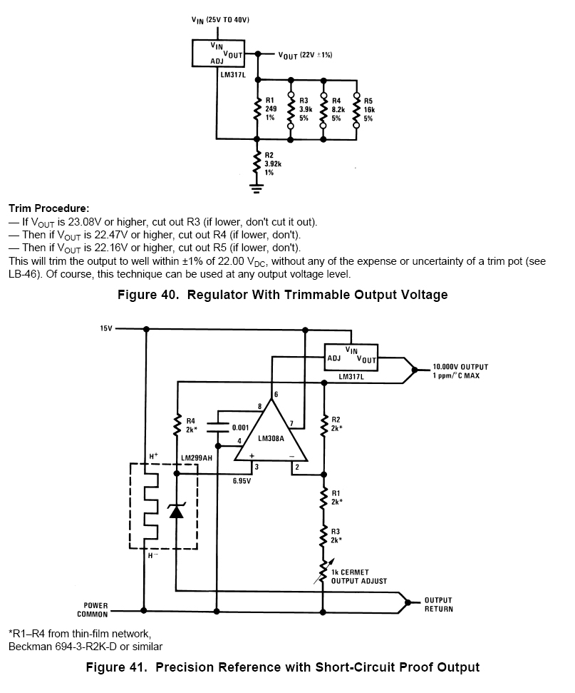
  • 特性

N.S(T.I)-LM317LMX



















Top

HDMI選擇器 3 進一出 (切換器) MINI-HDMI-301

Part No.: #59798
Product No.: 111118888
包裝單位:
10PC
NT$500
數量: