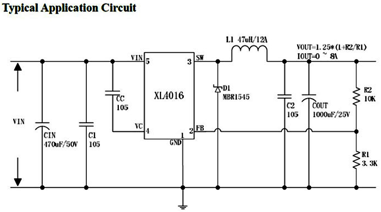
DC-DC降壓模組In:DC 4~40V Out:DC1.25V-36V/8A
NT$160
Part No:
137376
Product No:
XH-M401
品牌:
說明:
技術文件:
包裝單位:
1 個












