產品分類
已瀏覽商品

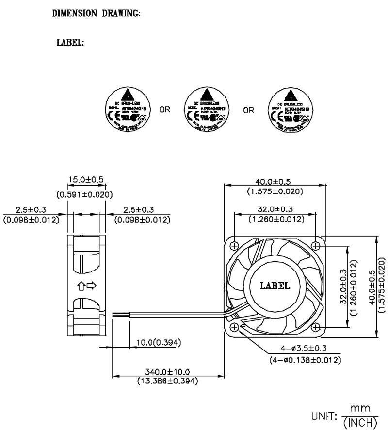
DELTADC24V 0.18A 滾珠 4015

NT$378
Part No:
145342
Product No:
AFB0424SHB
品牌:
DELTA
說明:
技術文件:
包裝單位:
1 PCS
門市據點各店庫存門市儲位位置圖倉庫儲位位置圖
龍山門市4167-2-36
光復門市2170-1-28
购买数量:
產品特性
  • 特性

 

DELTA_AFB0424SHB

 

風扇 DC24V

 

 


 

 

 

 

 

 

 

Top

HDMI選擇器 3 進一出 (切換器) MINI-HDMI-301

Part No.: #59798
Product No.: 111118888
包裝單位:
10PC
NT$500
數量: