產品分類
已瀏覽商品

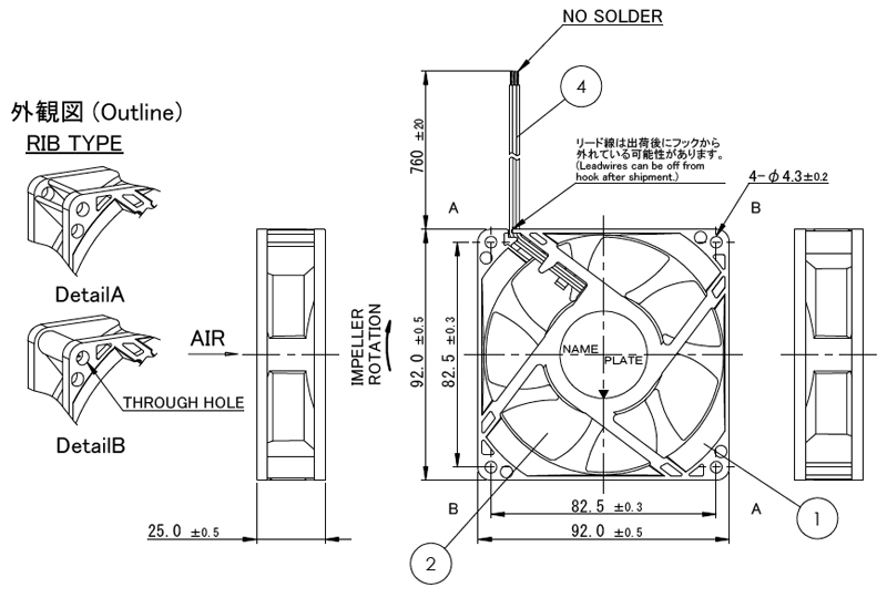
NMB_ 0.49A DC24V 11.76W 5600RPM滾珠 9225

NT$880
Part No:
145480
Product No:
09225VA24QBL08
品牌:
NMB
說明:
技術文件:
包裝單位:
1 PCS
門市據點各店庫存門市儲位位置圖倉庫儲位位置圖
龍山門市2167-2-36
光復門市6170-1-48
购买数量:
產品特性
  • 特性

 

09225VA24QBL08

 

NMB_風扇 DC24V

 

 

 


 

 


 

 

 

 

 

 

 

 

 

 

 

 

 

 

 

 

 

 

 

 

 

 

 

 

 

 

 

 

 

 

 

 

 

Top

HDMI選擇器 3 進一出 (切換器) MINI-HDMI-301

Part No.: #59798
Product No.: 111118888
包裝單位:
10PC
NT$500
數量: