純銅天線座
NT$100
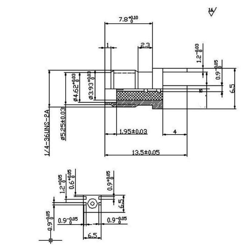
Part No:
146178
Product No:
SMA-KHD-13.5-1.2-3G-偏腳
品牌:
說明:
技術文件:
包裝單位:
5 PCS










