產品分類
已瀏覽商品

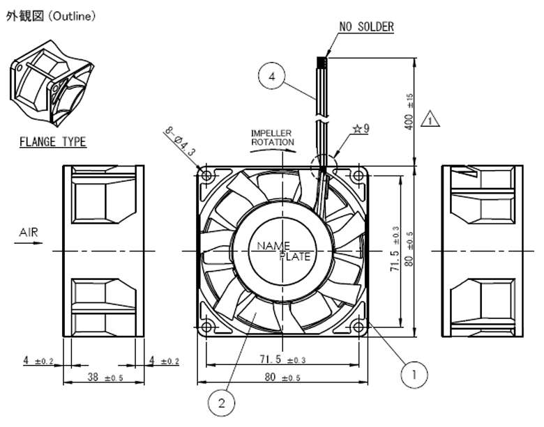
NMB DC12V 1.6A 80*80*38mm 3線 2Ball 高轉,IP68

NT$840
Part No:
148213
Product No:
08038RA12QGL01
品牌:
NMB
說明:
技術文件:
包裝單位:
1 PCS
門市據點各店庫存門市儲位位置圖倉庫儲位位置圖
龍山門市2167-2-36
光復門市6170-1-48
购买数量:
產品特性
  • 特性

 

NMB_08038RA12QGL01

 

DC12V 風扇

 

 

 


 

 

 

 

 


Top

HDMI選擇器 3 進一出 (切換器) MINI-HDMI-301

Part No.: #59798
Product No.: 111118888
包裝單位:
10PC
NT$500
數量: