產品分類
已瀏覽商品

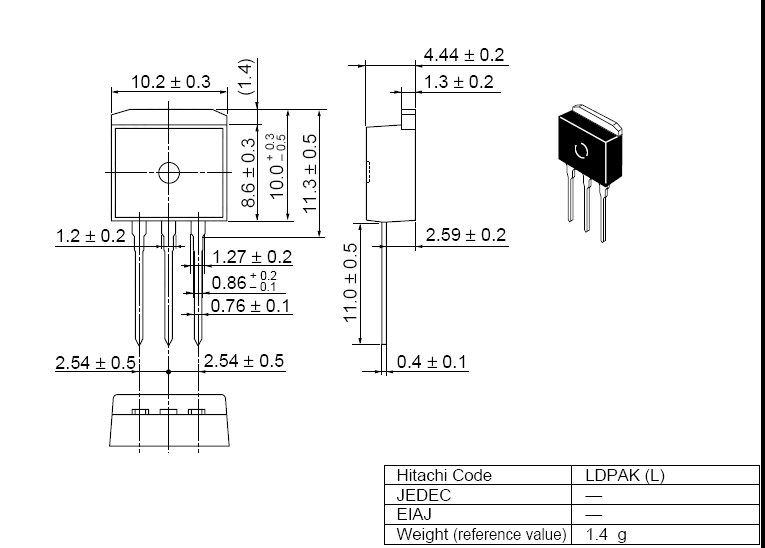
N-Ch. 450V 5A

NT$89
Part No:
14855
Product No:
2SK1313S
品牌:
HITACHI
說明:
技術文件:
包裝單位:
1 個
門市據點各店庫存門市儲位位置圖倉庫儲位位置圖
龍山門市0
光復門市25170-2-02-LY
购买数量:
產品特性
  • 特性

HITACHI-2SK1313S




Top

HDMI選擇器 3 進一出 (切換器) MINI-HDMI-301

Part No.: #59798
Product No.: 111118888
包裝單位:
10PC
NT$500
數量: