精密繞線 ±5% 10圈3W柄長6mm
NT$250
Part No:
15746
Product No:
WXD4-23-10KΩ
品牌:
說明:
技術文件:
包裝單位:
1 個
產品特性
- 特性
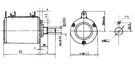
WXD4-23-10KΩ精密多圈繞線電位器
商品規格
功耗:(70℃)3W
阻值誤差:±2%、±5%、±10%
電阻體極限電壓:200V
機械耐久性:15000 周
阻值範圍:100Ω~100KΩ
線性精度:±0.1%~±1%
機械行程:3600°±10°
圈數:10 圈





