產品分類
已瀏覽商品

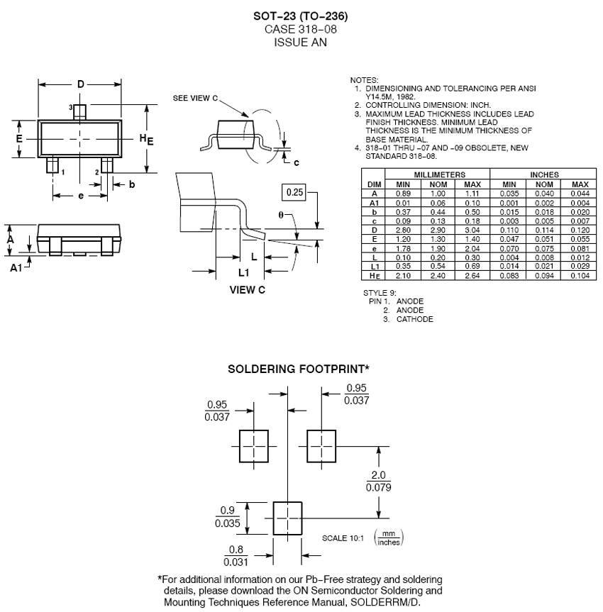
開關二極管 50V 200mA

NT$58
Part No:
15978
Product No:
BAV74LT1G
品牌:
ON-Semi.
說明:
技術文件:
包裝單位:
10 個
門市據點各店庫存門市儲位位置圖倉庫儲位位置圖
龍山門市0
光復門市240170-2-02-G
购买数量:
產品特性
  • 特性

ON-Semi.-BAV74LT1G





Top

HDMI選擇器 3 進一出 (切換器) MINI-HDMI-301

Part No.: #59798
Product No.: 111118888
包裝單位:
10PC
NT$500
數量: