產品分類
已瀏覽商品

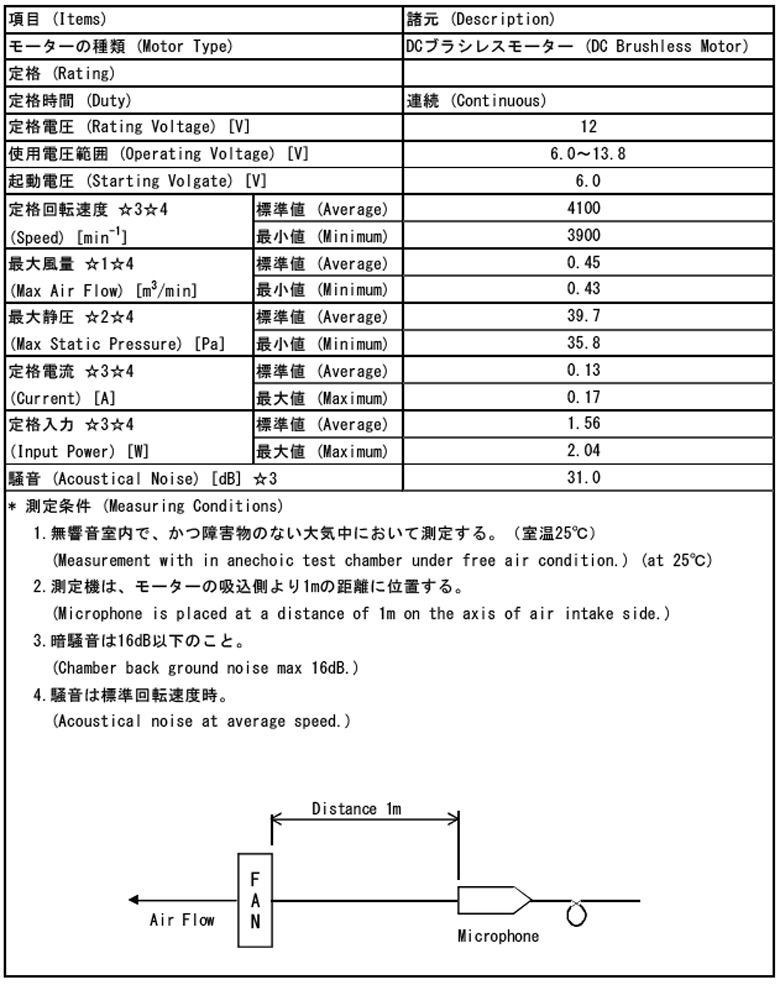
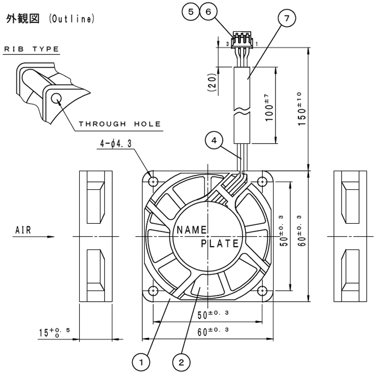
NMB_DC12V 3線RD 60*60*15mm 0.17A/1.56W

NT$570
Part No:
160252
Product No:
06015KA12MAL01
品牌:
NMB
說明:
技術文件:
包裝單位:
1 PCS
門市據點各店庫存門市儲位位置圖倉庫儲位位置圖
龍山門市3167-2-36
光復門市0
购买数量:
產品特性
  • 特性

 

NMB_06015KA12MAL01

 

風扇 DC12V 

 

 

 


 

 

 

 

 

 

 

 

Top

HDMI選擇器 3 進一出 (切換器) MINI-HDMI-301

Part No.: #59798
Product No.: 111118888
包裝單位:
10PC
NT$500
數量: