產品分類
已瀏覽商品

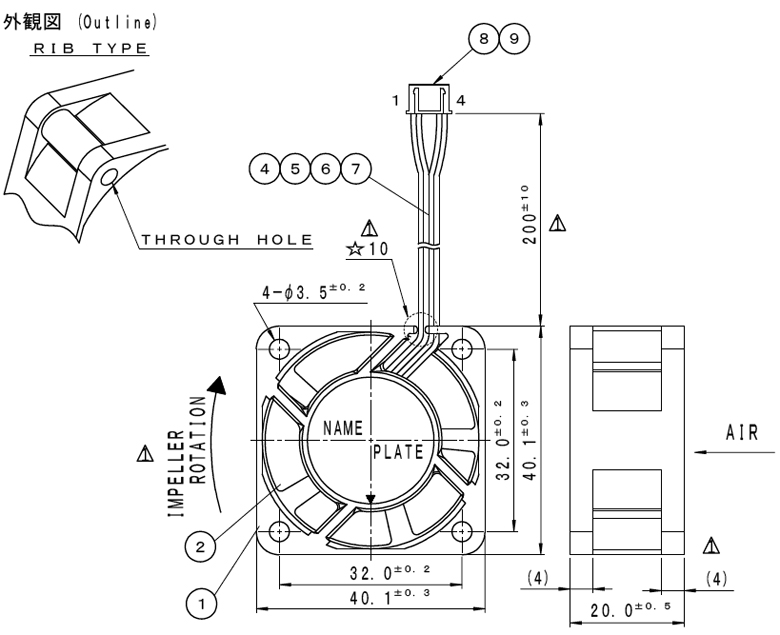
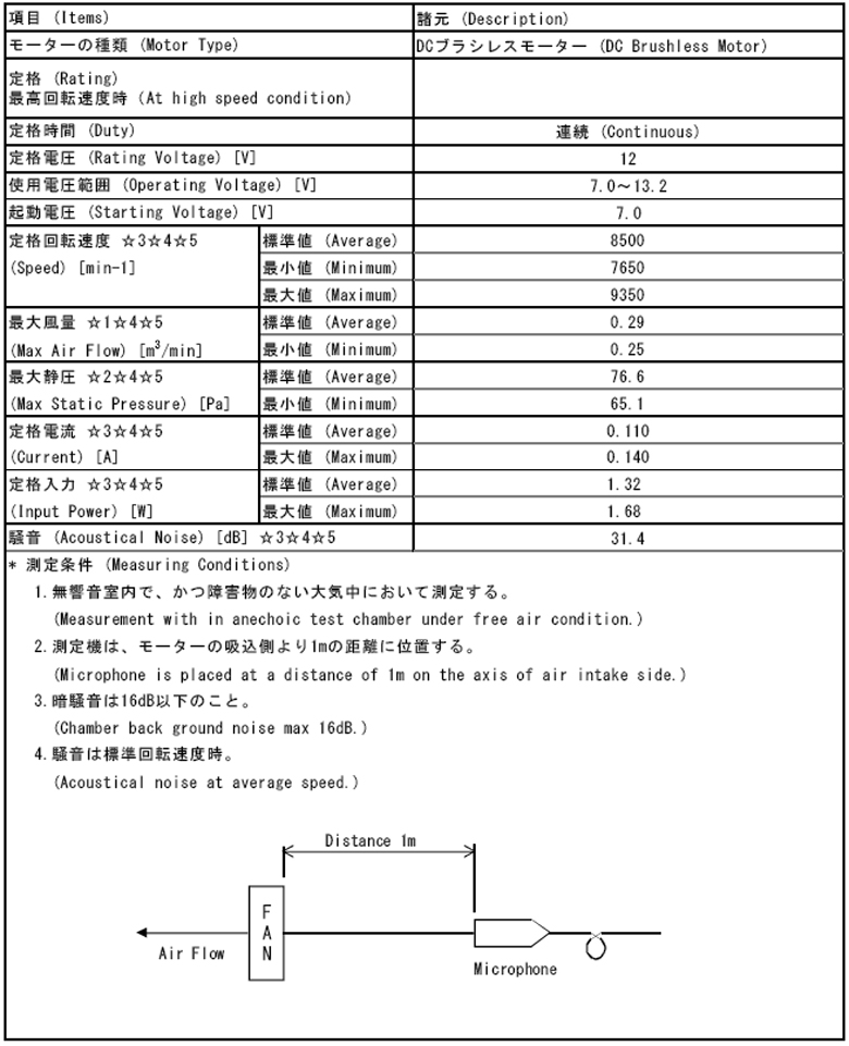
NMB DC12V 0.14A/1.32W 40*40*20mm 線 Ball

NT$590
Part No:
160257
Product No:
1608VL04WB56B53
品牌:
NMB
說明:
技術文件:
包裝單位:
1 PCS
門市據點各店庫存門市儲位位置圖倉庫儲位位置圖
龍山門市0
光復門市1170-1-28
购买数量:
產品特性
  • 特性

 

NMB_1608VL04WB56B53

 

風扇 DC12V

 

 

 


 

 

 

 

 

 

Top

HDMI選擇器 3 進一出 (切換器) MINI-HDMI-301

Part No.: #59798
Product No.: 111118888
包裝單位:
10PC
NT$500
數量: