精密單位增益差動放大器 (ROHS)
- 特性
BB - INA105KP精密單位增益差動放大器
FEATURES
●CMR 86dB min OVER TEMPERATURE
●GAIN ERROR: 0.01% max
●NONLINEARITY: 0.001% max
●NO EXTERNAL ADJUSTMENTS REQUIRED
●EASY TO USE
●COMPLETE SOLUTION
●HIGHLY VERSATILE
●LOW COST
●PLASTIC DIP, TO-99 HERMETIC METAL, AND SO-8 SOIC PACKAGES
APPLICATIONS
●DIFFERENTIAL AMPLIFIER
●INSTRUMENTATION AMPLIFIER BUILDING BLOCK
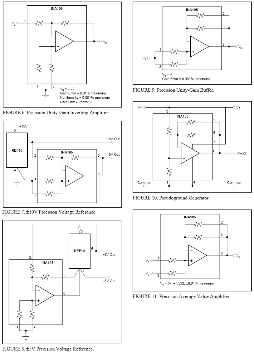
●UNITY-GAIN INVERTING AMPLIFIER
●GAIN-OF-1/2 AMPLIFIER
●NONINVERTING GAIN-OF-2 AMPLIFIER
●AVERAGE VALUE AMPLIFIER
●ABSOLUTE VALUE AMPLIFIER
●SUMMING AMPLIFIER
●SYNCHRONOUS DEMODULATOR
●CURRENT RECEIVER WITH COMPLIANCE TO RAILS
●4mA TO 20mA TRANSMITTER
●VOLTAGE-CONTROLLED CURRENT SOURCE
●ALL-PASS FILTERS
DESCRIPTION
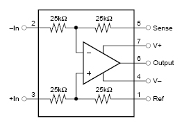
The INA105 is a monolithic Gain = 1 differential amplifier consisting of a precision op amp and on-chip metal film resistors. The resistors are laser trimmed for accurate gain and high common-mode rejection. Excellent TCR tracking of the resistors maintains gain accuracy and common-mode rejection over temperature.
The differential amplifier is the foundation of many commonly used circuits. The INA105 provides this precision circuit function without using an expensive precision resistor network. The INA105 is available in 8-pin plastic DIP, SO-8 surface-mount and TO-99 metal packages.





