產品分類
已瀏覽商品

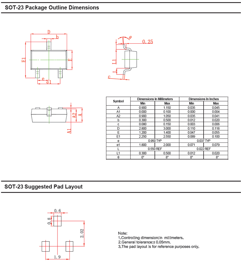
三極管 3P/SOT-23

NT$45
Part No:
161647
Product No:
MMBTH10
品牌:
說明:
技術文件:
包裝單位:
20 PCS
門市據點各店庫存門市儲位位置圖倉庫儲位位置圖
龍山門市0
光復門市2990170-2-02-L170-F-19
购买数量:
產品特性
  • 特性

 

CJ_MMBTH10

 

 

 


 

 

 

 

 

 

 

Top

HDMI選擇器 3 進一出 (切換器) MINI-HDMI-301

Part No.: #59798
Product No.: 111118888
包裝單位:
10PC
NT$500
數量: