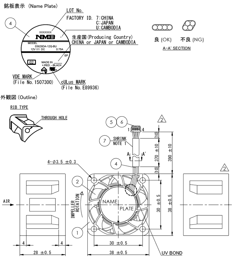
NMB_DC24V 4線 1.1A/80*80*38mm
NT$950
Part No:
161853
Product No:
08038RA24RGU02
品牌:
NMB
說明:
技術文件:
包裝單位:
1 PCS







