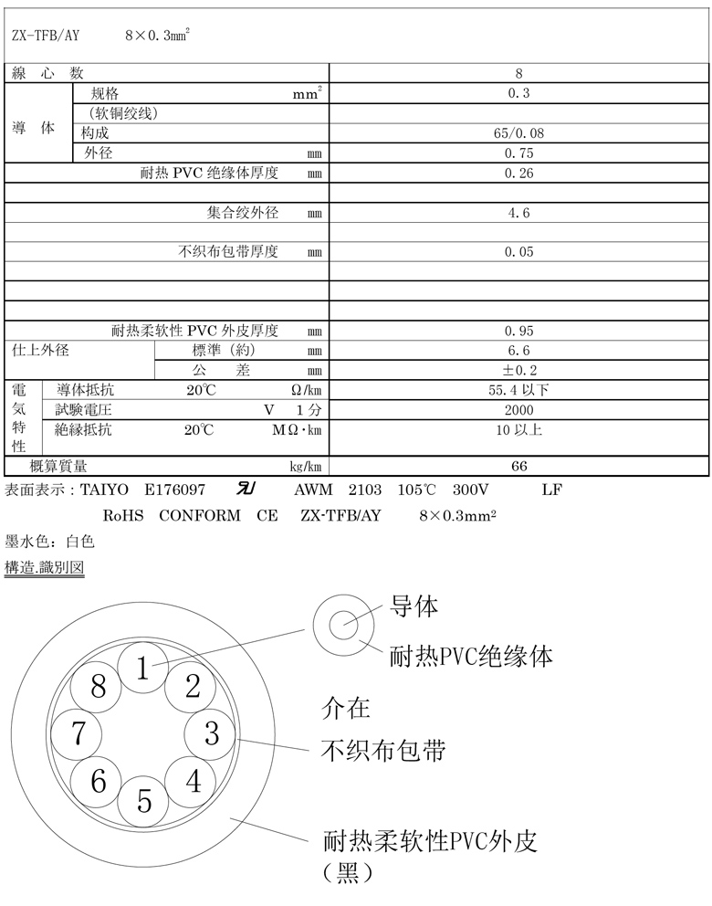
太陽牌耐彎曲拖鏈高柔信號線 單芯4P(8C) *0.3mm2 黑色
NT$172
Part No:
162093
Product No:
ZX-TFB/AY-2103-4P(8C) *0.3mm2
品牌:
Taiyo-Cable
說明:
技術文件:
包裝單位:
1 M









