產品分類
已瀏覽商品

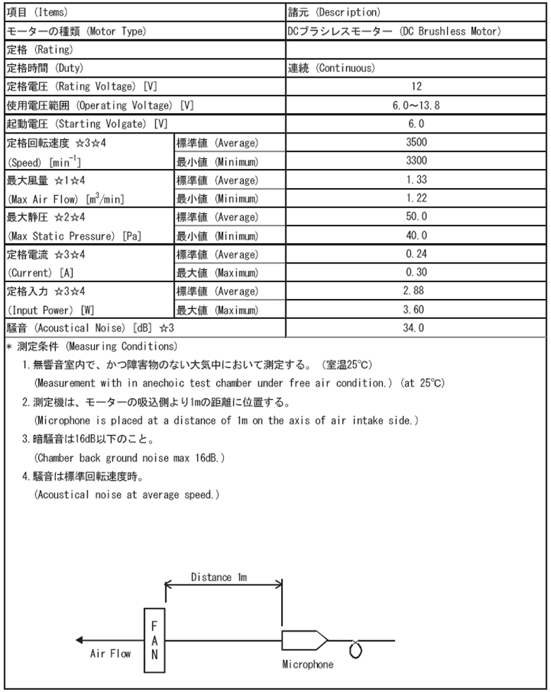
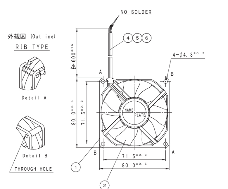
DC12V 80x80x25mm 3500r/min 0.3A/2.88W

NT$670
Part No:
163720
Product No:
08025SA12PAL01
品牌:
NMB
說明:
技術文件:
包裝單位:
1 PCS
門市據點各店庫存門市儲位位置圖倉庫儲位位置圖
龍山門市3167-2-36
光復門市7170-1-48
购买数量:
產品特性
  • 特性

 

NMB_08025SA12PAL01

 

風扇 DC12V 

 

 

 


 

 

 

 

 

 

Top

HDMI選擇器 3 進一出 (切換器) MINI-HDMI-301

Part No.: #59798
Product No.: 111118888
包裝單位:
10PC
NT$500
數量: