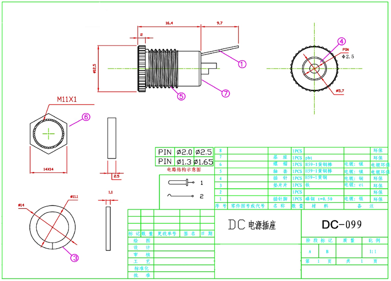
DC金屬電源插座帶線5.5*2.1MM 線長10CM
NT$35
Part No:
163765
Product No:
DC-099-5.5*2.1mm-線長10CM
品牌:
說明:
技術文件:
包裝單位:
1 PCS






