產品分類
已瀏覽商品

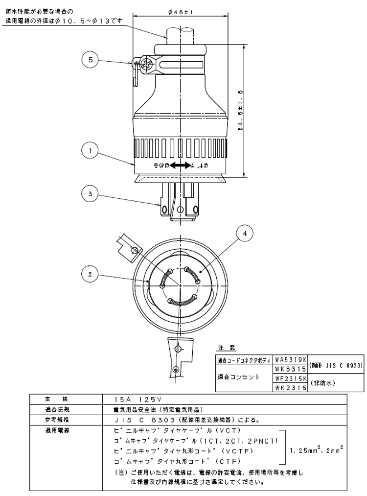
插頭3孔 15A 125V

NT$1150
Part No:
165201
Product No:
WA5319K
品牌:
Panasonic
說明:
技術文件:
包裝單位:
1 PCS
門市據點各店庫存門市儲位位置圖倉庫儲位位置圖
龍山門市2
光復門市3
购买数量:
產品特性
  • 特性

 

Panasonic_WA5319K

 

插頭3孔 15A/125V

 

 

 


 

 


 

Top

HDMI選擇器 3 進一出 (切換器) MINI-HDMI-301

Part No.: #59798
Product No.: 111118888
包裝單位:
10PC
NT$500
數量: