產品分類
已瀏覽商品

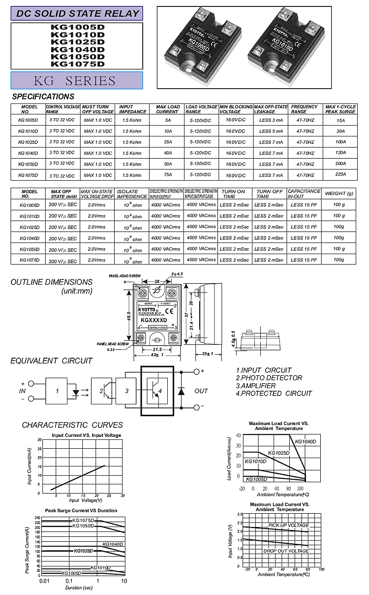
3~32V5~120VDC-40A

NT$746
Part No:
17383
Product No:
KG1040D
品牌:
KYOTTO
說明:
技術文件:
包裝單位:
1 個
門市據點各店庫存門市儲位位置圖倉庫儲位位置圖
龍山門市3167-1-10
光復門市4168-2-42-B
购买数量:
產品特性
  • 特性

 

KYOTTO KG10系列

 

 

DC-DC固態繼電器

 

 


 

 

 

 

Top

HDMI選擇器 3 進一出 (切換器) MINI-HDMI-301

Part No.: #59798
Product No.: 111118888
包裝單位:
10PC
NT$500
數量: