產品分類
已瀏覽商品

3P/TO-220 無鉛

NT$62
Part No:
17530
Product No:
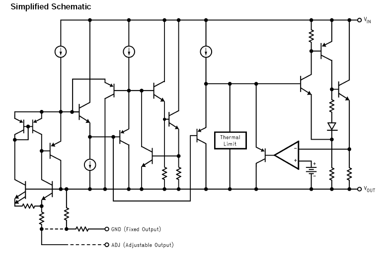
LM1086CT-ADJ
品牌:
N.S(T.I)
說明:
技術文件:
包裝單位:
1 個
門市據點各店庫存門市儲位位置圖倉庫儲位位置圖
龍山門市-5
光復門市11170-2-06-L
购买数量:
產品特性
  • 特性

N.S(T.I)-LM1086CT-ADJ



















Top

HDMI選擇器 3 進一出 (切換器) MINI-HDMI-301

Part No.: #59798
Product No.: 111118888
包裝單位:
10PC
NT$500
數量: