產品分類
已瀏覽商品

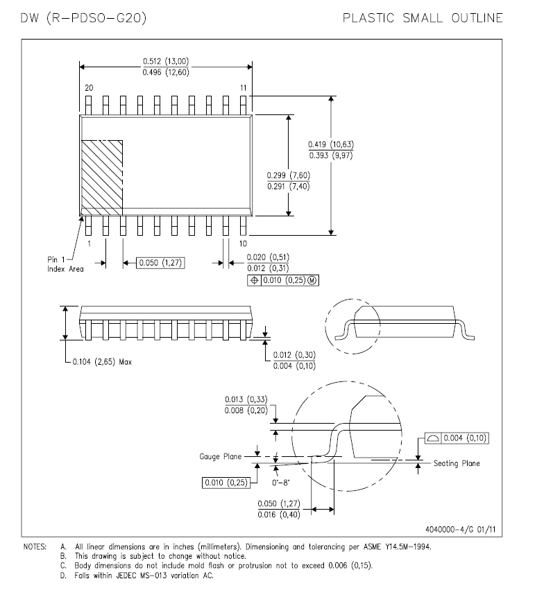
20P/SOIC (ROHS)

NT$90
Part No:
19268
Product No:
SN74LS245DWR
品牌:
T.I.
說明:
技術文件:
包裝單位:
2 個
門市據點各店庫存門市儲位位置圖倉庫儲位位置圖
龍山門市0
光復門市25170-2-06-G
购买数量:
產品特性
  • 特性

T.I.-SN74LS245DWR





















Top

HDMI選擇器 3 進一出 (切換器) MINI-HDMI-301

Part No.: #59798
Product No.: 111118888
包裝單位:
10PC
NT$500
數量: