產品分類
已瀏覽商品

光耦合IC

NT$105
Part No:
20582
Product No:
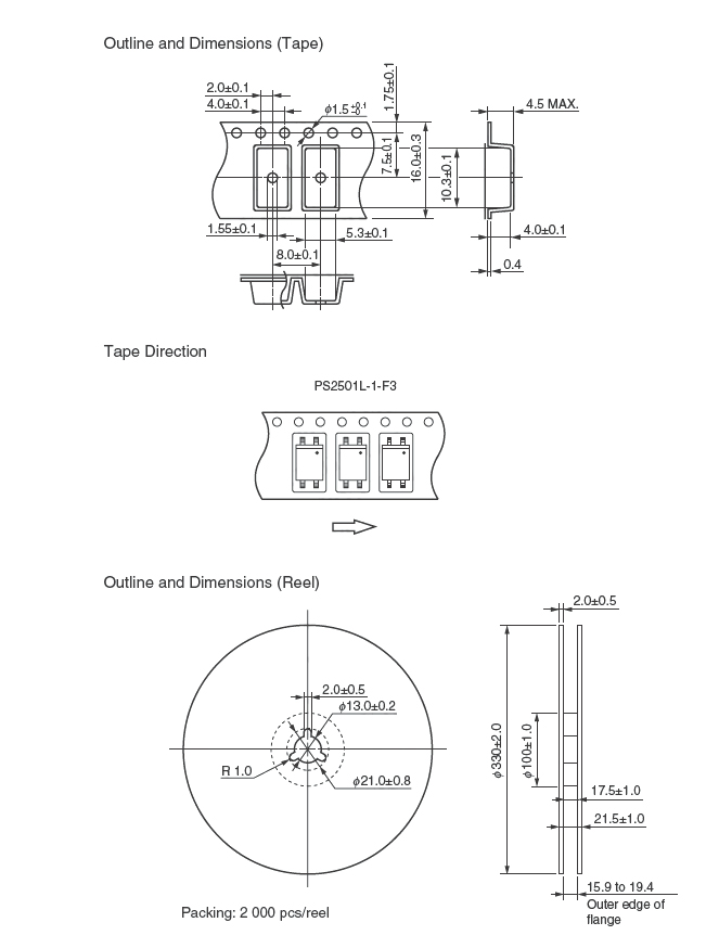
PS2501L-1-E3-K
品牌:
NEC
說明:
技術文件:
包裝單位:
10 個
門市據點各店庫存門市儲位位置圖倉庫儲位位置圖
龍山門市0
光復門市120170-2-06-R
购买数量:
產品特性
  • 特性

NEC-PS2501L-1-E3-K






Top

HDMI選擇器 3 進一出 (切換器) MINI-HDMI-301

Part No.: #59798
Product No.: 111118888
包裝單位:
10PC
NT$500
數量: