產品分類
已瀏覽商品

開關二極體 85V 215mA

NT$23
Part No:
22483
Product No:
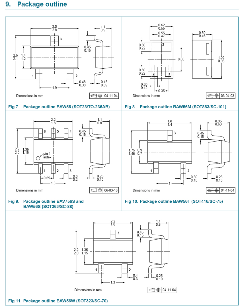
BAW56
品牌:
NXP
說明:
技術文件:
包裝單位:
20 PC
門市據點各店庫存門市儲位位置圖倉庫儲位位置圖
龍山門市0
光復門市1020170-2-02-G170-F-38-C
购买数量:
產品特性
  • 特性

NXP-BAW56













Top

HDMI選擇器 3 進一出 (切換器) MINI-HDMI-301

Part No.: #59798
Product No.: 111118888
包裝單位:
10PC
NT$500
數量: